skip to content
Iltis Parts
User Tools
Register
Log In
Site Tools
Search
Tools
Show pagesource
Old revisions
Backlinks
Recent Changes
Media Manager
Sitemap
Register
Log In
>
Recent Changes
Media Manager
Sitemap
Trace:
•
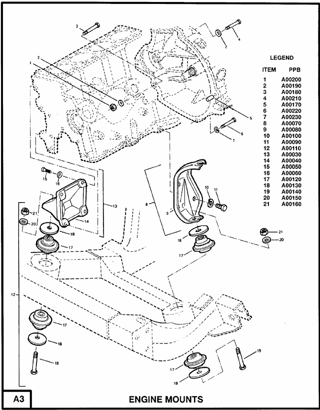
engine_mounts_a3
Sidebar
ENGINE PARTS
ENGINE MOUNTS A3
CYLINDER BLOCK ASSEMBLY A4
CYLINDER HEAD A5
OIL FILLER CAP AND ROCKER COVER A6
FLYWHEEL AND OIL FILTER A7
WATER PUMP AND THERMOSTAT A8
FRONT COVER AND TOOTHED BELT A9
INTAKE AND EXHUAST MANIFOLD A10
BELTS AND ADJUSTING ARM. ALTERNATOR A11
ENGINE CONTAINER A12
TRANSMISSION/TRANSAXLE PARTS
TRANSMISSION MOUNTS B3
TRANSMISSION BREATHER HOSES B4
TRANSMISSION HOUSING B5
TRANSMISSION INPUT SHAFT B6
TRANSMISSION OUTPUT SHAFT B7
TRANSMISSION COUNTERSHAFT B8
FORKS AND SELECTORS SHAFT B9
FRONT DIFFERENTIAL B10
SHIFTER ARM B11
CONTROL FOR FRONT WHEEL DRIVE B12
COVER FOR FRONT DIFFERENTIAL B13
TRANSMISSION CONTAINER B14
BRAKE PARTS
SUPERSTRUCTUR
IMAGE GALLERY
engine_mounts_a3
A00080
title2
titleeee
title
title
title
title
title
title
title
title
title
title
title
title
title
title
title
title
title
title
title
title
title
title
title
title
title
title
engine_mounts_a3.txt
· Last modified:
2026/02/12 13:47
by
timb
Page Tools
Show pagesource
Old revisions
Backlinks
Back to top